고객센터
사이트맵
고객문의
효성하이텍
회사소개
인사말
회사개요
조직도
인증현황
주요실적
오시는길
펌프
자일럼펌프
EBARA펌프
입형다단원심
고온용 입형다단원심
침수형 입형다단원심
고압다단원심펌프
배수펌프
모터
일광모터
설치시공/수리사례
동영상갤러리
사진갤러리
고객센터
공지사항
고객문의
회사소개
인사말
회사개요
조직도
인증현황
주요실적
오시는길
펌프
자일럼펌프
EBARA펌프
입형다단원심
고온용 입형다단원심
침수형 입형다단원심
고압다단원심펌프
배수펌프
모터
일광모터
설치시공/수리사례
동영상갤러리
사진갤러리
고객센터
공지사항
고객문의
메뉴열기
메뉴 닫기
회사소개
하위분류
인사말
회사개요
조직도
인증현황
주요실적
오시는길
펌프
하위분류
자일럼펌프
EBARA펌프
입형다단원심
고온용 입형다단원심
침수형 입형다단원심
고압다단원심펌프
배수펌프
모터
하위분류
일광모터
이동용 소화펌프
3%폼액
설치시공/수리사례
하위분류
동영상갤러리
사진갤러리
고객센터
하위분류
공지사항
고객문의
모터
일광모터
일광모터
일광모터
HOME
홈으로 이동
모터
대분류 메뉴 펼치기
회사소개
펌프
모터
설치시공/수리사례
고객센터
일광모터
대분류 일광모터 하위 메뉴 펼치기
일광모터
일광모터
대분류 일광모터 하위 메뉴 펼치기
일광모터
일광모터
일광모터
일광모터
일광모터
모터
일광모터
일광모터
Home > 모터 > 일광모터 > 일광모터
삼상 프리미엄 유도전동기
단상 유도전동기(전폐형)
유압용 유도전동기
주문형 유도전동기
결선도 / 중량
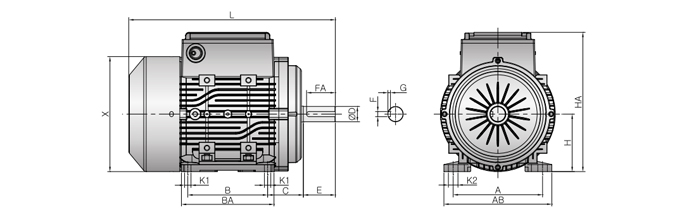
B3 Horizontal Types
Dimensional drawings
Dimensions
Frame
Output(kW)
Dimension(mm)
Bearings
Overall
DE Shaft extension
Base
2P
4P
6P
H
C
L
HA
X
D
E
F
FA
G
A
B
AB
BA
K1
K2
DE
ODE
71M
0.4
*0.2
71
45
237
171
142
14
30
5
25
3
112
90
130
105
7
10
6203ZZ
6202ZZ
*0.55
0.4
80M
0.4
80
50
266
192
159
19
40
6
30
3.5
125
100
149
130
10
15
6204ZZ
6203ZZ
0.75
*0.55
*0.9
0.75
*1.1
90L
1.5
*0.75
0.75
90
56
324
218
180
24
50
8
45
4
140
125
169
145
10
15
6205ZZ
6204ZZ
2.2
*1.1
1.5
100L
2.2
1.5
100
63
360
231
196
28
60
8
45
4
160
140
190
165
12
15
6206ZZ
6205ZZ
*3
B5 Vertical Types
Dimensional drawings
Dimensions
Frame
Output(kW)
Dimension(mm)
Bearings
Overall
DE Shaft extension
2P
4P
6P
S(Hole)
PCD
M
N
HA
L
X
T
D
E
F
FA
G
DE
ODE
71M
0.4
*0.2
10
130
110
160
180
237
142
3
14
30
5
25
3
6203ZZ
6202ZZ
*0.55
0.4
80M
0.4
12
165
130
200
212
266
160
3.5
19
40
6
30
3.5
6204ZZ
6203ZZ
0.75
*0.55
*0.9
0.75
*1.1
90L
1.5
*0.75
0.75
12
165
130
200
228
324
180
4
24
50
8
45
4
6205ZZ
6204ZZ
2.2
*1.1
1.5
100L
2.2
1.5
12
215
180
250
256
360
196
4
28
60
8
45
4
6206ZZ
6205ZZ
*3
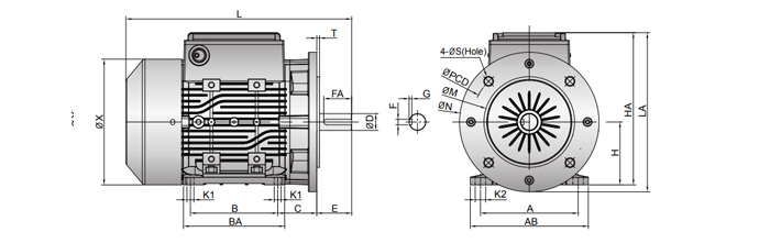
B35 Horiental Vertical Types
Dimensional drawings
Dimensions
Frame
Output(kW)
Dimension(mm)
Bearings
Overall
DE Shaft extension
Base
2P
4P
6P
S(Hole)
PCD
M
N
H
C
HA
LA
L
X
T
D
E
F
FA
G
A
B
AB
BA
K1
K2
DE
ODE
71M
0.4
*0.2
10
130
110
160
71
45
171
180
237
142
3
14
30
5
25
3
112
90
130
105
7
10
6203ZZ
6202ZZ
*0.55
0.4
80M
0.4
12
165
130
200
80
50
192
212
266
160
3.5
19
40
6
30
3.5
125
100
149
130
10
15
6204ZZ
6203ZZ
0.75
*0.55
*0.9
0.75
*1.1
90L
1.5
*0.75
0.75
12
165
130
200
90
56
216
228
324
180
4
24
50
8
45
4
140
125
169
145
10
15
6205ZZ
6204ZZ
2.2
*1.1
1.5
100L
2.2
1.5
12
215
180
250
100
63
231
256
360
196
4
28
60
8
45
4
160
140
190
165
12
15
6206ZZ
6205ZZ
*3
B14 C-Face Types
Dimensional drawings
Dimensions
Frame
Output(kW)
Dimension(mm)
Bearings
Overall
DE Shaft extension
2P
4P
6P
S(Tap)
PCD
M
HA
L
X
T
D
E
F
FA
G
DE
ODE
71M
0.4
*0.2
M6
85
70
171
237
142
2.5
14
30
5
25
3
6203ZZ
6202ZZ
*0.55
0.4
80M
0.4
M6
100
80
192
266
160
3
19
40
6
30
3.5
6204ZZ
6203ZZ
0.75
*0.55
*0.9
0.75
*1.1
90L
1.5
*0.75
0.75
M8
115
95
218
324
180
3.5
24
50
8
45
4
6205ZZ
6204ZZ
2.2
*1.1
1.5
100L
2.2
1.5
M8
130
110
231
360
196
3.5
28
60
8
45
4
6206ZZ
6205ZZ
*3
B34 Horizontal C-Face Types
Dimensional drawings
Dimensions
Frame
Output(kW)
Dimension(mm)
Bearings
Overall
DE Shaft extension
Base
2P
4P
6P
S(Tap)
PCD
M
H
C
L
HA
X
T
D
E
F
FA
G
A
B
AB
BA
K1
K2
DE
ODE
71M
0.4
*0.2
M6
85
70
71
45
237
237
142
2.5
14
30
5
25
3
112
90
130
105
7
10
6203ZZ
6202ZZ
*0.55
0.4
80M
0.4
M6
100
80
80
50
266
266
160
3
19
40
6
30
3.5
125
100
149
130
10
15
6204ZZ
6203ZZ
0.75
*0.55
*0.9
0.75
*1.1
90L
1.5
*0.75
0.75
M8
115
95
90
56
324
324
180
3.5
24
50
8
45
4
140
125
169
145
10
15
6205ZZ
6204ZZ
2.2
*1.1
1.5
100L
2.2
1.5
M8
130
110
100
63
360
360
196
3.5
28
60
8
45
4
160
140
190
165
12
15
6206ZZ
6205ZZ
*3