고객센터
사이트맵
고객문의
효성하이텍
회사소개
인사말
회사개요
조직도
인증현황
주요실적
오시는길
펌프
자일럼펌프
EBARA펌프
입형다단원심
고온용 입형다단원심
침수형 입형다단원심
고압다단원심펌프
배수펌프
모터
일광모터
설치시공/수리사례
동영상갤러리
사진갤러리
고객센터
공지사항
고객문의
회사소개
인사말
회사개요
조직도
인증현황
주요실적
오시는길
펌프
자일럼펌프
EBARA펌프
입형다단원심
고온용 입형다단원심
침수형 입형다단원심
고압다단원심펌프
배수펌프
모터
일광모터
설치시공/수리사례
동영상갤러리
사진갤러리
고객센터
공지사항
고객문의
메뉴열기
메뉴 닫기
회사소개
하위분류
인사말
회사개요
조직도
인증현황
주요실적
오시는길
펌프
하위분류
자일럼펌프
EBARA펌프
입형다단원심
고온용 입형다단원심
침수형 입형다단원심
고압다단원심펌프
배수펌프
모터
하위분류
일광모터
이동용 소화펌프
3%폼액
설치시공/수리사례
하위분류
동영상갤러리
사진갤러리
고객센터
하위분류
공지사항
고객문의
모터
일광모터
일광모터
일광모터
HOME
홈으로 이동
모터
대분류 메뉴 펼치기
회사소개
펌프
모터
설치시공/수리사례
고객센터
일광모터
대분류 일광모터 하위 메뉴 펼치기
일광모터
일광모터
대분류 일광모터 하위 메뉴 펼치기
일광모터
일광모터
일광모터
일광모터
일광모터
모터
일광모터
일광모터
Home > 모터 > 일광모터 > 일광모터
삼상 프리미엄 유도전동기
단상 유도전동기(전폐형)
유압용 유도전동기
주문형 유도전동기
결선도 / 중량
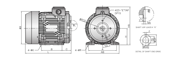
유압용, 삼상 프리미엄 유도전동기 - B34 Horizontal C-Face types
Dimensional drawings
E/B TYPE(FRONT)
Type A
Type B
Type C
Dimensions
Frame
Size
Model
No.
Output
Dimensions (mm)
Bearings(ZZ)
HP(KW)4P
Type
Flange
TAP
ShaftT
A
AB
B
ØK
ØM
H
HA
ØX
C
L
DE
ODE
ØN
NA
Y
PCD
E
ØDA
GE
F
ØDP
80M
IK307G1A0
1(0.75)
A
50.8
7.5
2
82.55
4-M8
12.7
14.3
3.2
29.7
125
149
100
10
15
80
189
160
55
232
6206
6203
IK307G1A1
50.8
8.5
2.5
82.55
56.5
233.5
IK307G1D0
1(0.75)
D
50.8
8.5
2.5
82.55
2-MB
IK307G2A0
1(0.75)
A
70
7
4
98
4-MB
15.88
18.7
5
IK307G3A0
1(0.75)
A
82.55
8.5
1
106.4
4-M10
15.88
17.7
4
55
232
IK307G3A1
1(0.75)
A
82.55
7.5
3.5
106.4
4-M10
12.7
14.3
3.2
56.5
233.5
IK307G3A2
15.88
17.7
4
IK307G3A3
19.05
21.4
4.76
IK307G3D0
1(0.75)
D
2-M10
12.7
14.3
3.2
IK307G3D1
15.88
17.7
4
IK307G3D2
19.05
21.4
4.76
90L
IK315G1A0
2(1.5)
A
50.8
8.5
3
82.55
4-MB
12.7
14.3
3.2
29.7
140
169
125
10
15
90
212
180
55
272.5
6206
6204
IK315G1D0
2(1.5)
D
2-MB
IK315G3A0
2(1.5)
A
82.55
7.5
4
106.4
4-M10
12.7
14.3
3.2
IK315G3A1
15.88
17.7
4
IK315G3A2
19.05
21.4
4.76
IK315G3D0
2(1.5)
D
2-M10
12.7
14.3
3.2
IK315G3D1
15.88
17.7
4
IK315G3D2
19.05
21.4
4.76
IK315G4C0
2(1.5)
C
95.05
7
4.5
127
4-M10
19.05
21.4
4.76
100L
IK322G1A0
3(2.2)
A
50.8
8.5
4.5
82.55
4-MB
12.7
14.3
3.2
29.7
160
190
140
12
15
100
235
199
63
303
6206
6205
IK322G1D0
3(2.2)
D
2-MB
IK322G3A0
3(2.2)
A
82.55
12
1
106.4
4-M10
12.7
14.3
3.2
IK322G3A1
15.88
17.7
4
IK322G3A2
19.05
21.4
4.76
IK322G3D0
3(2.2)
D
2-M10
12.7
14.3
3.2
IK322G3D1
15.88
17.7
4
IK322G3D2
19.05
21.4
4.76
IK322G4C0
3(2.2)
C
95.05
12
1
127
4-M10
12.7
14.3
3.2
IK322G4C1
15.88
17.7
4
IK322G4C2
19.05
21.4
4.76
IK322G4C3
3(2.2)
C
95.25
12
1
127
4-M10
19.05
20.7
3.2
61.5
301.5
IK322G4C4
19.05
21.4
4.76
112M
IK337G3D0
5(3.7)
D
82.55
7.5
3
106.4
2-M10
12.7
14.3
3.2
34.5
190
225
140
12
15
112
259
222
62
310
6207
6205
IK337G3D1
16
17.8
4
IK337G3D2
19.05
21.4
4.76
IK337G3A0
5(3.7)
A
82.55
7.5
1
106.4
4-M10
15.88
17.7
4
60
308
IK337G3A1
19.05
21.4
4.8
IK337G3C0
5(3.7)
C
95.25
7.5
3.5
127
4-M10
19.05
20.7
3.2
62.5
310.5
IK337G3C1
19.05
21.4
4.76
IK337G3D3
5(3.7)
D
82.55
8
4
106.4
2-M10
15.88
17.7
4
70.5
318.5
IK337G3D4
12.7
14.3
3.2
73
321
IK337G3D5
15.88
17.7
4
IK337G3D6
19.05
21.4
4.76
IK337G5D0
5(3.7)
D
101.6
10.5
1.5
146
2-M12
22.22
25.4
6.35
72
320
132S
IK355G5A0
7.5(5.5)
A
101.6
10.5
3.5
146
4-M12
22.23
25.4
6.35
39.5
216
248
140/
178
13
15
132
294
263
85.5
389
6308
6307
IK355G5D0
D
127
10
4
181
2-M16
31.77
35.4
7.98
44.5
6309
132M
IK375G3A0
10(7.5)
A
82.55
10.5
1
106.4
4-M10
15.88
17.7
4
39.5
83
386.5
6308
IK375G5A0
A
101.6
10.5
1
146
4-M12
22.22
25.1
6.35
유압용, 단상 유도전동기(전폐형) - B34 Horizontal C-Face Types
Dimensional drawings
E/B TYPE(FRONT)
Type A
Type C
Type D
Dimensions
Frame
Size
Model
No.
Output
Dimensions (mm)
Bearings(ZZ)
HP(KW)4P
Type
Flange
TAP
ShaftT
A
AB
B
ØK
ØM
H
HA
ØX
C
L
DE
ODE
ØN
NA
Y
PCD
E
ØDA
GE
F
ØDP
80M
IK107G1A0
1(0.75)
A
50.8
8.5
2.5
82.55
4-MB
12.7
14.3
3.2
29.7
125
149
100
10
15
80
192
160
60
237
6206
6203
IK107G1D0
D
2-MB
IK107G2A0
1(0.75)
A
82.55
7.5
3.5
106.4
4-M10
12.7
14.3
3.2
IK107G2A1
15.88
17.7
4
IK107G2A2
19.05
21.4
4.76
IK107G2D0
1(0.75)
D
4-M10
12.7
14.3
3.2
IK107G2D1
15.88
17.7
4
IK107G2D2
19.05
21.4
4.76
90L
IK115G1A0
2(1.5)
A
50.8
8.5
2.5
82.55
4-MB
12.7
14.3
3.2
29.7
140
169
125
10
15
90
218
180
60
277.5
6206
6204
IK115G1D0
D
2-MB
IK115G2A0
2(1.5)
A
82.55
7.5
3.5
106.4
4-M10
12.7
14.3
3.2
IK115G2A1
15.88
17.7
4
IK115G2A2
19.05
21.4
4.76
IK115G2D0
2(1.5)
D
2-M10
12.7
14.3
3.2
IK115G2D1
15.88
17.7
4
IK115G2D2
19.05
21.4
4.76
100L
IK122G1A0
3(2.2)
A
50.8
8.5
2.5
82.55
4-MB
12.7
14.3
3.2
29.7
160
190
140
12
15
100
238
199
63
303
6206
6205
IK122G1D0
3(2.2)
D
2-MB
IK122G2A0
3(2.2)
A
82.55
12
1
106.4
4-M10
12.7
14.3
3.2
IK122G2A1
15.88
17.7
4
IK122G2A2
19.05
21.4
4.76
IK122G2D0
3(2.2)
D
2-M10
12.7
14.3
3.2
IK122G2D1
15.88
17.7
4
IK122G2D2
19.05
21.4
4.76